- description
- parameters
|
Model |
BS101 |
BS102 |
BS103 |
|
|
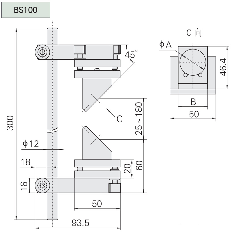
Lifting height for beam(mm) |
180 |
|||
|
Adjusting range of tilt |
θx |
±4° |
||
|
θy |
±4° |
|||
|
Rotation angle of mirror mounts |
θz |
360° |
||
|
A Applied diameter |
20 |
25 |
30 |
|
|
B |
32 |
32 |
36 |
|
|
Weight(kg) |
0.7 |
0.7 |
0.7 |
|








