- description
- parameters
|
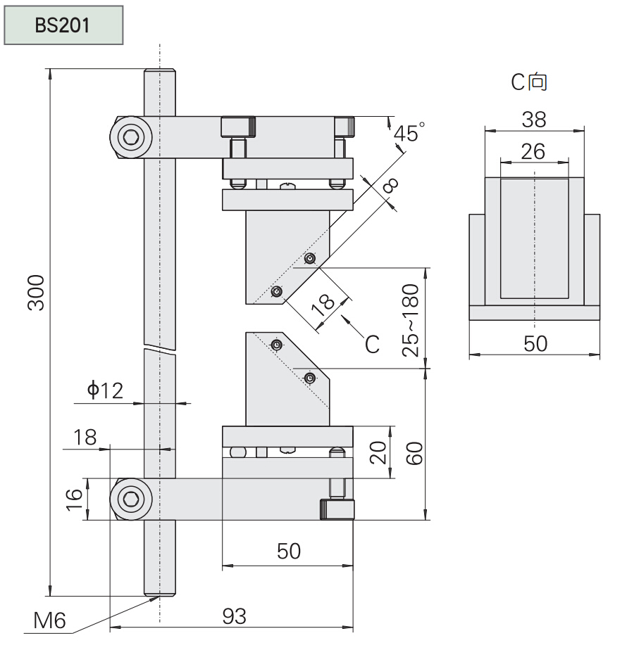
Model |
BS201 |
|
|
Lifting height for beam(mm) |
180 |
|
|
Applied diameter |
25×25 |
|
|
Adjusting range of tilt |
θx |
±4° |
|
θy |
±4° |
|
|
Rotation angle of mirror mounts |
θz |
360° |
|
Weight(kg) |
0.8 |
|








