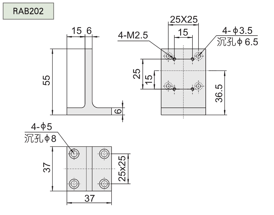
RAB200 series right angle bracket
1.Right angle brackets are used to combine
translation stages into two dimensional or three dimensional positioning
stages.
2.Two orthogonal plates are machined precisely to
guarantee the vertical requirements.
3.They are highly universal with different
standard mounting holes.
- description
- parameters







